Identification of Ungrounded Conductors
Published on May 16, 2013 by JADE Learning
Electrical Continuing Education
Today John Hauck and David Burtt discuss the identification of ungrounded conductors according to the 2011 National Electrical Code. This is part 1 of a 3 part series on identifying conductors.
Does the National Electrical Code have a required color code?
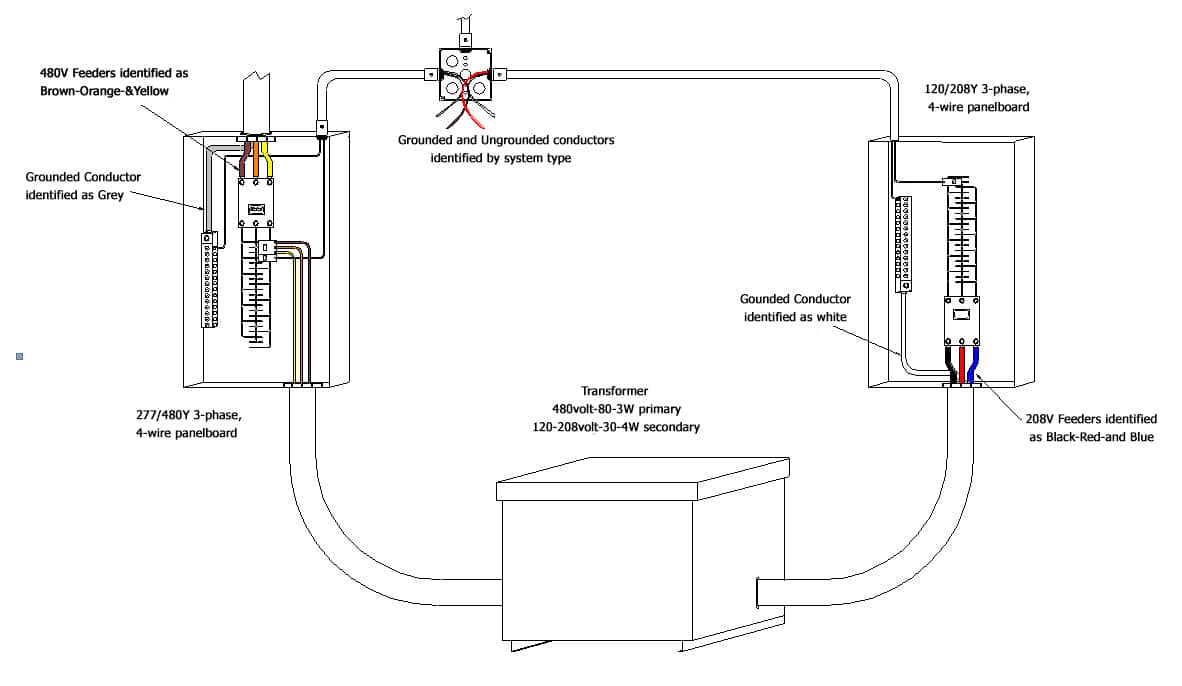
No. The National Electrical Code does not have a required color code. Trade practice is to use black, red, blue for 120/208Y voltage systems and brown, orange, yellow for 277/480Y voltage systems.
When are ungrounded conductors required to be identified?
The requirements for branch circuit and feeder conductors are similar. Section 210.5(C) is for branch circuits. Section 215.12(C) is for feeders. Where there is more than one nominal voltage system in a building, each ungrounded conductor must be identified by phase or line and system at all termination, connection, and splice points. The means of identification shall be by separate color coding, marking tape, tagging, or other approved means.
To identify conductors from different systems, do ungrounded conductors of No. 6 AWG and smaller need to have a solid color outer covering?
No. Any size ungrounded conductor can be taped at its termination to identify the phase and system.
How is the color code documented?
Signage must be posted at each panelboard where the circuit originates to describe the method used to identify the conductors of the branch circuit or feeder. For example, Phase A — Black, Phase B — Red, Phase C — Blue. 120/208Y 3-phase, 4-Wire.

What other questions or comments do you have about identifying ungrounded conductors? Stay tuned for part 2 of this discussion on conductor identification.
About the Authors
John Hauck is an instructor in electrical technology at Long Beach City College, CA, and the recipient of the 2007 Excellence in Teaching Award from the California Community College Association of Occupational Educators.
David Burtt has been in the electrical trade since 1978. He has worked as an electrical contractor, maintenance electrician, shop supervisor, and electrical instructor, and has been teaching electrical continuing education courses on the National Electrical Code since 1990. He is also the owner of JADE Learning.
